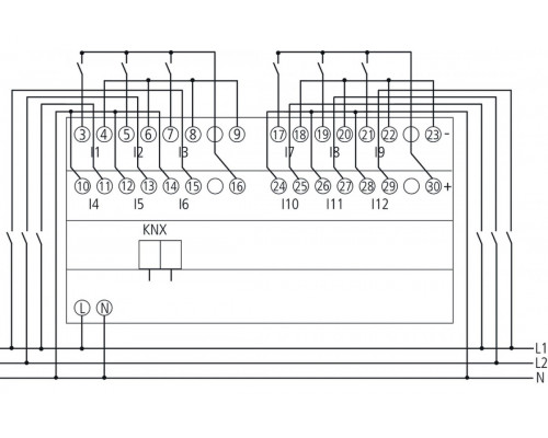
BM 12 T KNX
Function description
- 12-way binary input FIX2
- 12 floating universal and wide-range voltage inputs (10-240 V AC/DC or internally generated auxiliary voltage of approx. 12 V DC)
- 4 additional channels operable by buttons on the device, but without input
- LED switching status display for each channel
- Manual operation on device (even without bus connection)
- Manual operation per channel for simulating the input states
- All inputs can be operated with different voltages and at different potentials
- Connectable cable length up to 100 m
- Free allocation of functions: switch/push button, dimming, blinds/roller blinds, counter, repeat telegram, sequences
Reviews: 0
