RAMSES 833 top2 HF Set 1
Function description
- Radio-controlled system for room temperature control
- Suitable for energy-saving room temperature control in houses, apartments, heating zones, offices, showrooms, factories, medical practices, holiday homes
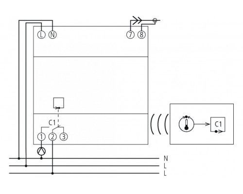
- Consisting of a RAMSES 833 top2 HF and a REC 1 receiver with a two-way switch 6(2) A/250 VDC
- The system consists of one or two digital clock thermostat and one receiver
- Required temperature set via the rotary dial
- INFO key for viewing important settings
- Quick start-up via 3 basic programs with individually changeable comfort and reduced temperature
- Party/ECO program
- Automatic summer/winter time adjustment
- Different control types can be individually set
Reviews: 0
