RAMSES 813 top3 HF Set 1
Function description
- *Available october 2023*
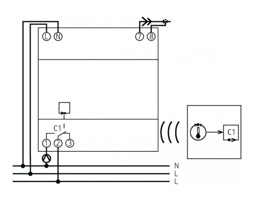
- Radio-controlled system for room temperature control
- Consisting of a RAMSES 813 top3 HF and a REC 1 receiver (series mounting device 5 modules) with changeover contact 6(2) A/250 V AC
- Battery version (also for retrofitting with 2-wire connection)
- Installation of clock thermostat on flush-mounted box, wall installation, or with stand possible
- Operation on device or via app
- Direct Bluetooth Low Energy (BLE) connection between app and clock thermostat, no communication via the Internet
- Settings configured conveniently via the app with intuitive operation from a smartphone or tablet
- Increased user convenience
- 3 individually programmable weekly programs, as well as comfort, eco and setback function
Reviews: 0
