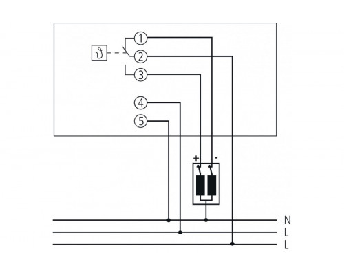
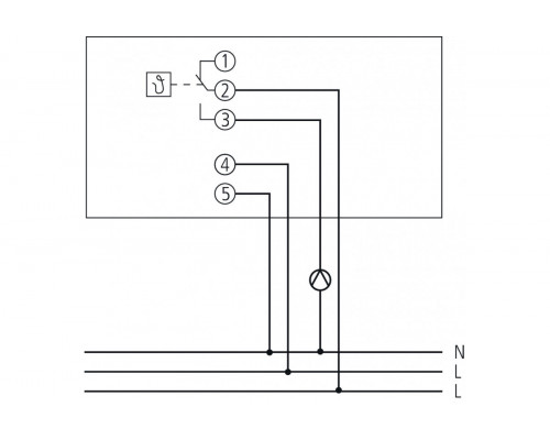
RAMSES 782
Function description
- Analogue clock thermostat with a low profile design for time-dependent monitoring and control of room temperature
- Mains version
- Tappet program disc with daily or weekly program
- Quartz mechanism, 3 day power reserve
- Normal and reduced temperature can be set separately
- Electronic temperature control
- Operating point and electronic recirculation are set from the front
- Party switch and program display
- Electronic temperature control
- Selector switch for operating mode: con-tinuous reduced temperature, continuous normal temperature, automatic mode, frost and plant protection +6 °C
Reviews: 0
