OKTO S22-230
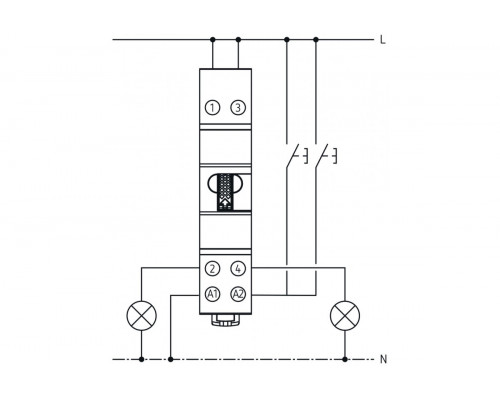
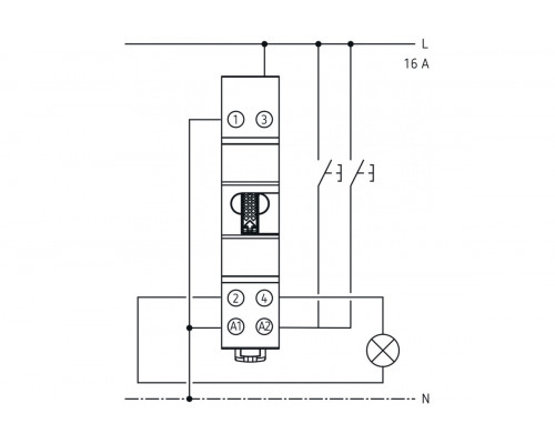
Function description
- Electro-mechanical latching relay with 2 channels/contacts (normally open contact)
- Comfortable lighting control of one common consumer with several push-buttons possible
- Simple and inexpensive electrical installation with 2 wires per push-button
- Operation via integrated manual switch possible
- Potential-free with SELV
- Electrically safe all-pole disconnection
- LED switching load up to 200 W
- No closed-circuit current consumption
Reviews: 0
