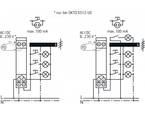
OKTO ES12-UC
Function description
- Electronicall latching relay with 1 channel/contact (normally open contact)
- Potential-free multi-voltage input (8 V to 230 V)
- Comfortable lighting control of one common consumer with several push-buttons possible
- Particularly quiet operation of the installation switch
- High glow lamp load up to 100 mA
- Automatic 3-/4-wire detection of the pulse switch
- Potential-free with SELV
- Lamps-friendly due to zero-crossing switching for high LED loads (up to 600 W)
- Stand-by consumption of only 0.3 W
Reviews: 0
