ELPA 6 plus
Function description
- Staircase time switch, electronical
- Zero-cross switching for relay-saving switching and high lamp loads
- Multi-functional device with 10 available functions, set at the front of the device
- Without multi-voltage input
- Switch-off pre-warning (two flashes) optimized for switching LEDs
- Extended function activated via long button press
- Immediate secondary switching (stair light switch) or prematurely switched off (pulse switch with switch-off delay)
- Permanent switch
- Electronic pulse light
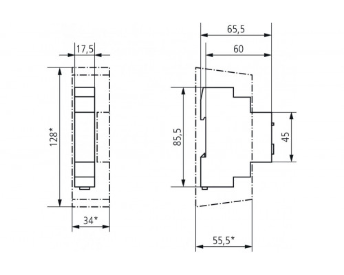
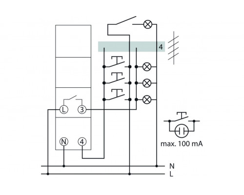
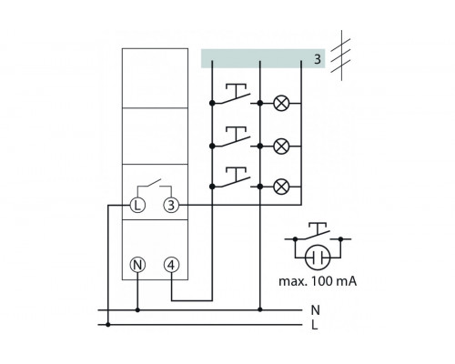
- Terminal layout same as ELPA 8
Reviews: 0
