ELPA 3
Function description
- Staircase time switch, electronical
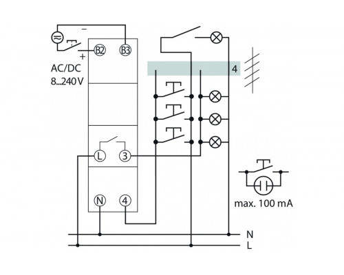
- Additional multi-voltage input electrically isolated for AC/DC 8...240 V, e.g. für intercoms
- Switch-off pre-warning (two double flashes) in accordance with DIN 18015-2 to avoid sudden darkness
- Immediate secondary switching
- Toggle switch for permanent light
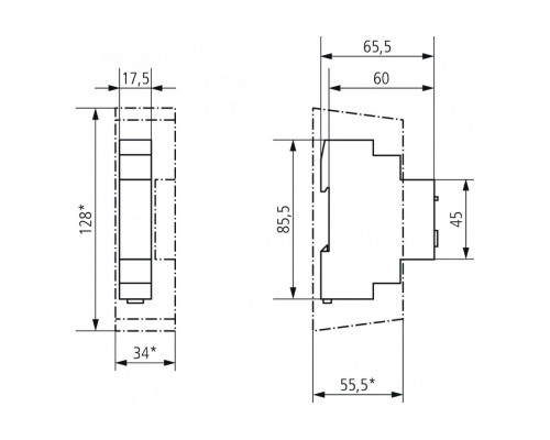
- Terminal layout same as ELPA 8
- Extremely accurate
- Push button input with electronic overload protection
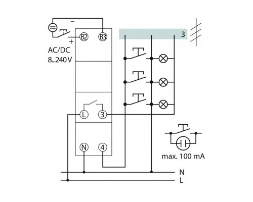
- Automatic 3 or 4 conductor detection (4 conductor with connection for floor lighting, 3 conductor no longer permitted for new systems)
Reviews: 0
