ELPA 041
Function description
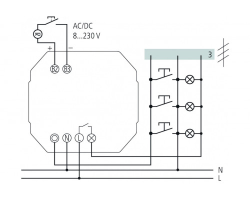
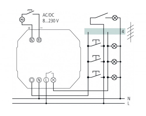
- Flush-mounted staircase time switch, electronic
- Multi-functional device with 12 available functions, set at the front of the device
- Switch or push button connectable, i.e. existing switches can be used (e.g. when updating)
- Additional multi-voltage input electrically isolated for AC/DC 8...240 V, e.g. für intercoms
- Suitable for upgrades and new installation
- Zero-cross switching for relay-saving switching and high lamp loads
- Push button input with electronic overload protection
- Automatic 3 or 4 conductor detection (4 conductor with connection for floor lighting, 3 conductor no longer permitted for new systems)
- Extremely accurate
- Immediate secondary switching
Reviews: 0
