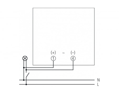
BZ 142-1 24V
Function description
- Hour counter with synchronous motor drive
- Front panel devices with click-in or stretch clamp supports for walls up to a maximum of 10 mm thick
- Clamp or flat plug connection 6.3 mm
- Versions for direct voltage with quartz-controlled stepper motor
- Progress display
Reviews: 0
