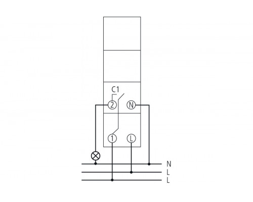
SYN 160 a
Function description
- Analogue time switch
- 1 channel
- Daily program
- Without power reserve
- 96 switching segments
- Synchronised with mains
- Shortest switching time: 15 minutes
- Screw terminals
- Manual switch with 3 positions: Permanent ON/AUTO/continuous OFF
Reviews: 0
