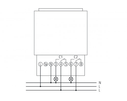
SUL 285/2 T
Function description
- Analogue tariff time switch with daily program
- 2 channels
- With power reserve (exchangeable NiMH rechargeable battery)
- Quartz controlled
- Tappets
- Shortest switching time: 20 minutes
- Clock hands for time display
- Switching status display
- Simple summer/winter time correction
- Time can be changed clockwise or anti-clockwise
Reviews: 0
