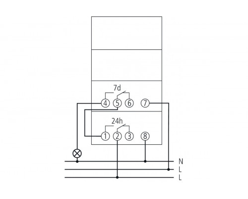
SUL 188 hw
Function description
- Analogue time switch
- Daily/weekly program and 1/2 day OFF function for the weekdays
- 1 channel (with series connection of the 2 contacts)
- Tappets and turning segments
- Shortest switching time: 45 minutes (12 hours for the 1/2 day OFF function)
- 6 tappets included in delivery
- With power reserve (NiMH rechargeable battery)
- Quartz controlled
- Tappets
- Screw terminals
Reviews: 0
