SUL 188 g
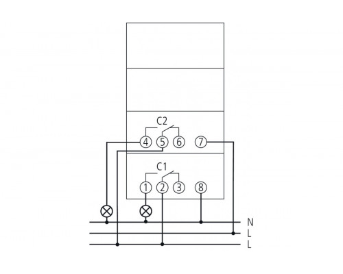
Function description
- Analogue time switch
- Daily program
- 2 channels
- Fine adjustment to set the time to the minute
- Shortest switching time: 30 minutes
- 10 tappets included in delivery
- With power reserve (NiMH rechargeable battery)
- Quartz controlled
- Tappets
- Screw terminals
Reviews: 0
