FRI 77 g
Function description
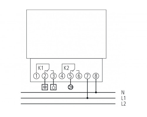
- Analogue cooling time switch with daily and short time program
- 2 channels
- Wall-mounted
- 8 tappets included in delivery
- Optional delayed switching on of fan
- Tappet
- 2 separate switching discs
- 24 hour switching disc for hour preselection
- 60 minute switching disc for setting short contact duration
Reviews: 0
