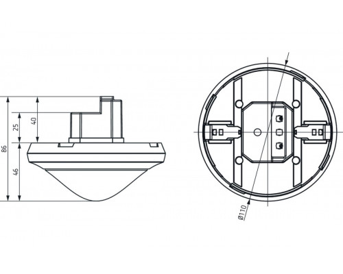
theRonda P360-330 DALI UP WH
Function description
- Passive infra-red presence detector for flush-mounted ceiling installation, DALI-2 certified
- Circular detection area 360°, Ø 24 m, (452 m2) at mounting height 3 m
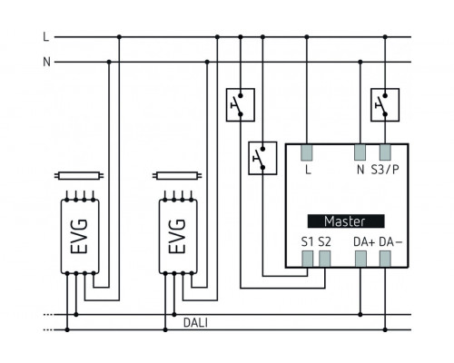
- 3 channels light DALI-2 addressable
- DALI-2 technology according to IEC 62386 Parts 101 and 103
- Flexible assignment of up to 3 light groups towards one DALI line
- Easy, intuitive configuration of the DALI groups
- Up to 3 push-button inputs
- Using of conventional push-buttons for maximum design freedom
- Switch or constant light control mode with stand-by function
- Dimmable lighting in switch mode with stand-by function
Reviews: 0
