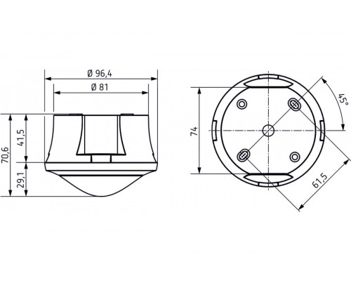
theRonda S360-101 AP BK
Function description
- Passive infra-red presence detector for ceiling installation
- Circular detection area 360°, up to Ø 8 m (50 m2) at mounting height 3 m
- 1 channel light (Relay, 230 V) and 1 channel presence (Relay, floating for HVAC control)
- Automatic motion and brightness-dependent control for lighting and HVAC
- Mixed light measurement suitable for fluorescent lamps (FL/PL/ESL), halogen/incandescent lamps and LEDs
- Operation as fully automatic device
- Brightness switching value configurable, teach-in function
- Pulse function for staircase light time switch
- Channel H, presence: relay, floating e.g. for HVAC control
- Time delay configurable
Reviews: 0
