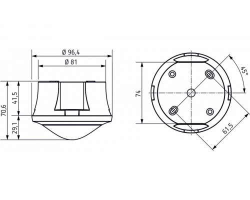
theMova S360-100 AP BK
- Пассивный инфракрасный датчик движения для потолочной установки.
- Круглая зона обнаружения 360°, до Ø 9 м (64 м2)
- Автоматическое управление освещением в зависимости от движения и яркости
- Измерение смешанного света
- Свет канала А: реле, 230 В
- Работа как полностью автоматическое устройство
- Настраиваемое значение переключения яркости, функция обучения
- Импульсная функция таймера лестничного освещения
- Настраиваемая задержка времени
- Настраиваемая чувствительность обнаружения
Reviews: 0
