LUXA 103 S360-100-12 AP WH
- Пассивный инфракрасный датчик присутствия, для поверхностного монтажа
- 1 канал освещения (реле 230 В)
- Круглая зона обнаружения 360°, Ø 12 м (113 м2) при высоте установки 3 м
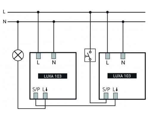
- Расширение зоны обнаружения за счет параллельного включения, параллельно можно подключить до 8 извещателей.
- Возможно подключение к сети с настенным детектором theMura Slave
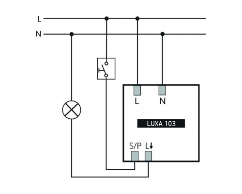
- Возможность подключения кнопки для ручного переключения
- Возможен полностью или полуавтоматический режим работы.
- Измерение яркости в одном направлении (измерение смешанного освещения)
- Функция обучения, импульсная функция, функция тестирования, функция лестничного освещения
- Немедленная готовность к работе благодаря заводской настройке.
Reviews: 0
